2026年第一期环保设施开放
2026-02-28

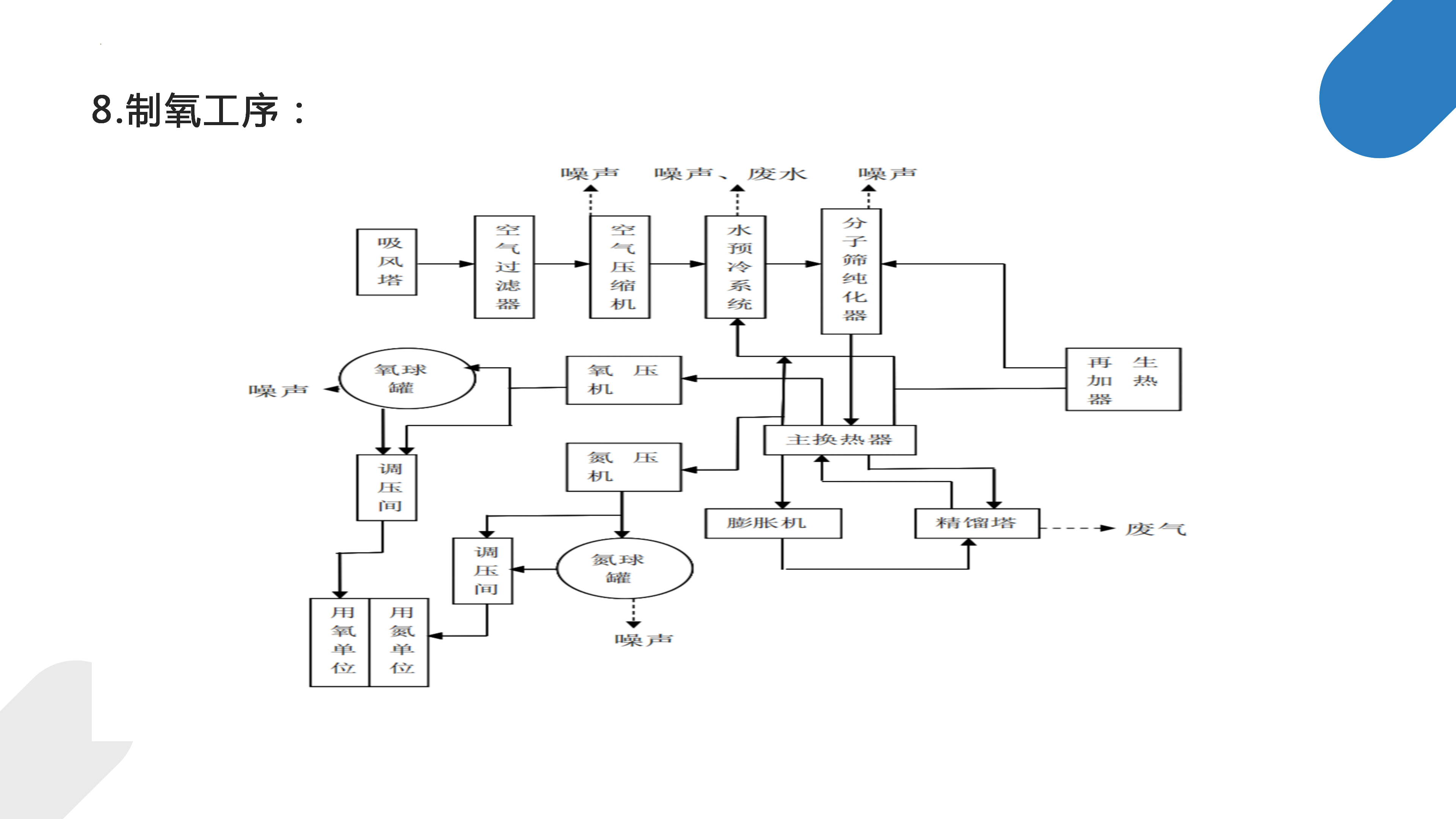
2026年第一期_01.png2026年第一期_02.png2026年第一期_03.png2026年第一期_04.png2026年第一期_05.png2026年第一期_06.png2026年第一期_07.png2026年第一期_08.png2026年第一期_09.png2026年第一期_12.png2026年第一期_12.png2026年第一期_12.png2026年第一期_13.png2026年第一期_14.png2026年第一期_15.png2026年第一期_17.png2026年第一期_17.png2026年第一期_20.png2026年第一期_20.png2026年第一期_20.png2026年第一期_23.png2026年第一期_23.png2026年第一期_23.png2026年第一期_24.png2026年第一期_25.png2026年第一期_26.png2026年第一期_27.png2026年第一期_28.png2026年第一期_29.png2026年第一期_30.png2026年第一期_31.png2026年第一期_32.png2026年第一期_33.png2026年第一期_34.png2026年第一期_35.png2026年第一期_36.png

联系我们

吉林金钢钢铁股份有限公司

地址:吉林省四平市铁西区红嘴路18号


联系电话:0434- 6060700

服务热线:0434- 6060700

Copyright © 2019 JILIN JINGANG IRON AND STEEL CO., LTD.
吉林金钢钢铁股份有限公司 吉ICP备19003901号